auto
close

Word Nu Gratis Lid van Problemcar.nl! 🚗💡

👉 Waarom lid worden?

Klik hieronder en word vandaag nog GRATIS lid!

Gratis lid worden

Mitsubishi Carisma: verlichting midden console

schedule Aangemaakt op 11-02-2009 om 18:02
Bouwjaar: 1998, Brandstof: Benzine, Motorcode: 1.6

Er zijn enkele lampjes van de middenconsole kapot, o.a van de verwarmingsnoppen. Hoe kan ik de console het best demonteren om de verlichting te vervangen.

Geplaatst door

Katja +0

al 19 jaar lid

Reacties

Het is lastig om de lampjes te vervangen. Ik heb het 2 weken geleden gedaan. Het zijn er overigens 2 kleine 1,2 W lampjes. Over ieder lampje zit een blauw kapje dat voor een mooiere kleur zorgt. De kapjes heb ik overgezet van de oude naar de nieuwe lampjes.

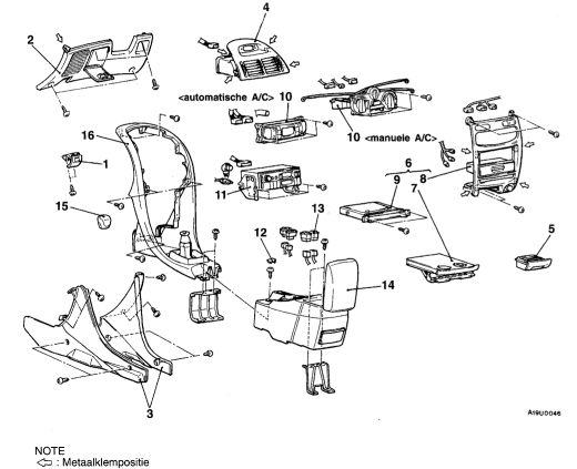
Je moet de luchtroosters met het plastic eromheen verwijderen. Deze zitten vast met 4 klemmen en moeten recht naar voren getrokken worden. In het plaatje staat waar de klemmen zitten (klik erop voor een groter plaatje). Vanaf de onderkant kun je met de enige voorzichtigheid met een schroevendraaier het geheel iets naar voren krijgen. Dan rustig langs de randen omhoog de schroevendraaier ertussen zetten. Zodra het iets los zit gaat het opeens snel. Zorg ervoor dat hij recht naar voren gaat. Probeer je het plastic omhoog te verwijderen, dan zullen de twee roostertjes eruit vallen en dan wordt het puzzelen (en ik heb eerder de puzzel al een keer gemaakt).

Ik heb een auto met eenvoudige airco. De bovenste stekker bij mij is van de ventilator. Deze heb ik los gemaakt. Hieronder zit een wit plastic dingetje van zo'n 8 cm lang waarop een stekker en de twee lampjes zitten. Dit witte plastic kun je eruit halen (zit wel weer goed vastgeklemd). Lampjes vervangen en alles weer monteren. Tip, denk ook aan het lampje achter het klokje, misschien verstandig om die gelijk mee te vervangen.


[url=http://www.familiebunschoten.nl/2009/mid...][img]http://www.familiebunschoten.nl/2009/mid...[/img][/url]

abunsc +0

17 jaar

Niet gevonden wat je zocht? Misschien is je vraag al eens beantwoord voor je Mitsubishi Carisma of stel zelf een nieuwe vraag.